
YJ3-E 油液顆粒計數器傳感器采用遮光法(光阻法)原理研制,用于液壓系統油路中顆粒污染的在線實時監測??蓮V泛應用于航空、航天、電力、石油、化工、交通、港口、冶金、機械、汽車制造等領域中的液壓油、潤滑油、變壓器油(絕緣油)、汽輪機油(透平油)、齒輪油、發動機油、航空煤油、水基液壓油等的固體顆粒污染度檢測,及對有機液體、聚合物溶液中的顆粒雜質的檢測。
技術優勢:
1. 采用遮光法(光阻法)原理;
2. 內置 GJB420B-06、GJB420A-96、NAS1638、ГOCT17216 、ISO4406:1999 (GB/T14039-2002)
等顆粒污染度等級標準,可實時給出所測樣品的顆粒計數及污染度等級;
3. 可按 ISO4402 或ISO11171 進行校準;
4. 標準串行 RS485 接口,可外接計算機完成控制及檢測結果存儲;
5. 通過CAN輸出數據,可外接計算機完成檢測結果存儲;
6. 實時數據,能夠實時掌握分析液壓系統的磨損趨勢。
主要測量參數:
|
測量參數 |
測量范圍 |
|
檢測范圍 |
1~100μm(詳見附錄B) |
|
4~70μm(c)(詳見附錄B) |
|
|
測量通道 |
1μm、2μm、5μm、10μm、15μm、25μm、50μm、 100μm |
|
4μm(c)、4.6μm(c)、6μm(c)、10μm(c)、14μm(c)、21μm(c)、38μm(c)、70μm(c) |
|
|
檢測流速 |
10~300mL/min 推薦使用 25mL/min |
|
檢測周期 |
5~60S(5S/檔) |
|
測量重復性 |
RSD<5% |
|
測量精度 |
顆粒數±20%(或±1 個污染度等級) |
|
內置等級標準 |
NAS1638、ISO4406、GJB420A、GJB420B、 ГOCT17216 |
|
備注:測量精度須確保測試環境在 20±5℃,流量25mL/min 范圍內。 |
|
技術要求:
|
技術要求 |
參數 |
備注 |
|
數字信號輸出 |
RS485 MODBUS RTU/ASCII 碼 |
|
|
工作電壓 |
DC24V±10% |
|
|
工作電流 |
<150mA |
|
|
工作溫度 |
-20~60℃ |
|
|
流體溫度 |
0~80℃ |
|
|
存儲溫度 |
-40~85℃ |
|
|
允許油壓 |
≤2MPa 2~40MPa(配減壓閥) |
推薦使用環境≤0.6MPa |
|
防護等級 |
IP65 |
|
|
光源類型 |
高精度準直光源 |
|
|
進出油接口 |
G1/8-¢6,配外徑 6mm的低壓卡套軟管 |
高壓管可定制 |
|
重量 |
950g |
|
|
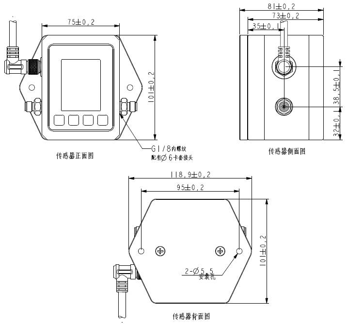
尺寸: |
101mm×75mm×73mm (長 x 寬 x 高) |
|
產品結構:

傳感器機箱的外形以及安裝孔尺寸圖 單位:mm
傳感器顯示界面
傳感器主界面主要由“標準”、“單位”、“周期”、“流速”、“地址”、“協議”、“語言”、“模式”、“波特率”九個選項組成,檢測操作時將根據以上四項的設置進行;并且傳感器提供上位機軟件。
產品應用:
電力行業 監測變壓器、電抗器絕緣油 ;工業機械 監測機械設備潤滑油和液壓油 ;運輸行業監測船舶、車輛發動機機油。